Интеллектуальный регулятор расхода LKZ
Премьера продукта
Интеллектуальный контроллер расхода серии LKZ — это новейший инструмент интеллектуального управления расходом от Mechatronics.Продукт использует самый передовой однокристальный компьютер и схему периферийного интерфейса в мире в настоящее время.Карта IC с превосходной производительностью шифрования выбрана в качестве средства передачи данных между человеком и машиной.Он имеет функции автоматического вывода, точности, надежности, идеальной функции и усовершенствованной структуры.Вся машина спроектирована с микропотреблением энергии, питанием от литиевой батареи и ЖК-дисплеем.Он может записывать совокупное потребление газа пользователем, биллинговые и другие данные, а продукт имеет множество функций защиты для обеспечения безопасности и надежности работы системы.Его можно сочетать с различными расходомерами (ультразвуковой расходомер, расходомер Рутса, турборасходомер) для создания полного набора системы продажи газа с предоплатой, которая может быть подключена к системе удаленного мониторинга, разработанной и произведенной нашей компанией для достижения реальных результатов. -временной контроль рабочего состояния и ситуации с газом интеллектуального регулятора расхода.
Интеллектуальный контроллер расхода обычно вычитает потребление газа путем сбора выходных импульсов расхода, а интеллектуальный контроллер расхода имеет интерфейс RS485 для считывания данных расходомера с функцией вычитания.Этот вид метода дедукции выборки трудно интерпретировать, он обладает высокой надежностью и позволяет избежать ошибочного подсчета, вызванного другими аналогичными выборками потока продукта, которым легко мешают только импульсы.
Кроме того, интеллектуальный контроллер потока имеет внешний интерфейс RS485.Удаленный терминал может выполнять функции удаленной зарядки, корректировки цен, мониторинга данных и управления включением-выключением интеллектуального контроллера потока через интерфейс связи RS485.
Основные функции
Наименование товара | Интеллектуальный контроллер потока | ||
Тип продукта | IC-карта | IC-карта+IoT | Внешний RTU |
Способ выставления счетов | Обычный биллинг | Обычный биллинг+Удаленная корректировка цены | Обычный биллинг+Удаленная корректировка цены |
Метод оплаты | пополнение IC-карты | Пополнение карты IC, Пополнение без карты, Дистанционное пополнение, Мобильное пополнение | Пополнение карты IC, Пополнение без карты, Дистанционное пополнение, Мобильное пополнение |
Источник питания | Внешний источник питания, литиевая батарея | Внешний источник питания, литиевая батарея | Внешний источник питания, литиевая батарея |
Коммуникация | Интерфейс RS485 | Интерфейс RS485, GPRS | Интерфейс RS485, GPRS |
Передача информации | Чтение карты IC | Загрузка в реальном времени, Стыковка платформы SCADA | Загрузка в реальном времени, Стыковка платформы SCADA |
Предупреждение о событии | ЖК дисплей | ЖК-дисплей, удаленное предупреждение в реальном времени | ЖК-дисплей, удаленное предупреждение в реальном времени |
Дистанционное управление | Дистанционное управление | Дистанционное управление | |
Мониторинг состояния | Мониторинг в реальном времени, удаленное предупреждение в реальном времени | Мониторинг в реальном времени, удаленное предупреждение в реальном времени | |
ЖК дисплей | Совокупный общий объем, мгновенный расход, температура, давление, объем остаточного газа, состояние батареи, состояние клапана и т. д. | ||
Защита | Встроенное групповое подавление импульсов, молниезащита и другая защита цепи.Все экспортные интерфейсы электрически изолированы от внутренней основной системы управления с надежной защитой от помех. | ||
Характеристики продукта
Модель | Диаметр (мм) | Рабочее давление (МПа) | Потеря давления клапана (Па) | Qmax(м³/ч) |
ЛКЗ-25Е(Т) | Ду25 | ≤0,4 | 120~150 | 17.7 |
ЛКЗ-40Е(Т) | DN40 | ≤0,4 | 120~150 | 45.2 |
ЛКЗ-50Е(Т) | DN50 | ≤0,4 | 150~200 | 70.7 |
ЛКЗ-80Е(Т) | DN80 | ≤0,4 | 150~200 | 181.0 |
ЛКЗ-100Е(Т) | DN100 | ≤0,4 | 180~220 | 282.7 |
ЛКЗ-150Е(Т) | DN150 | ≤0,4 | 200~280 | 636.2 |
ЛКЗ-200Е(Т) | DN200 | ≤0,4 | 250~320 | 1131.0 |
Нет. | Тип | Параметры | Примечания |
1 | Напряжение | DC7.2V | Аккумулятор ER34615 |
2 | Окружающая среда | Температура:-20℃~+50℃;Относительная влажность:≤95% | |
3 | Рабочее давление | ≤ 0,4 МПа | |
4 | Полная потеря давления | ≤ 0,9 кПа | |
5 | Середина | Сжиженный нефтяной газ, природный газ, биогаз | |
6 | степень защиты IP | IP65 |

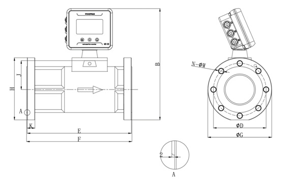
Модель | Диаметр (мм) | Размер (мм) | ||||||||
B | ¢D | E | F | ¢G | H | J | K | n-¢W | ||
ЛКЗ-25Е(Т) | Ду25 | 225 | 85 | 220 | 222 | 115 | 107 | 69 | 20 | 4-¢14 |
ЛКЗ-40Е(Т) | DN40 | 333 | 109 | 223.5 | 225.5 | 154 | 144 | 61 | 22 | 4-¢18 |
ЛКЗ-50Е(Т) | DN50 | 345 | 125 | 317 | 319 | 165 | 158.5 | 65 | 23 | 4-¢18 |
ЛКЗ-80Е(Т) | DN80 | 360 | 160 | 317 | 319 | 200 | 192 | 64 | 23 | 8-¢18 |
ЛКЗ-100Е(Т) | DN100 | 405 | 180 | 352 | 354 | 220 | 210 | 100 | 24 | 8-¢18 |
ЛКЗ-150Е(Т) | DN150 | 475 | 240 | 405 | 407 | 285 | 277.5 | 137 | 27 | 8-¢22 |
ЛКЗ-200Е(Т) | DN200 | 545 | 295 | 416 | 418 | 341 | 335 | 177 | 30 | 12-¢22 |
(1) Интеллектуальный регулятор потока должен быть установлен в хорошо проветриваемом месте, вдали от источника огня, в защищенном от дождя и влаги месте, а также во избежание попадания прямых солнечных лучей в течение длительного времени.Безопасная высота должна соответствовать соответствующим местным правилам;
(2) Интеллектуальный контроллер потока должен удалять всякую всячину из трубопровода перед подключением, а в трубопроводе не должно быть утечек;
(3) Интеллектуальный регулятор потока может быть установлен горизонтально или вертикально, а вход и выход могут быть правильно соединены в соответствии с направлением, отмеченным стрелкой;
(4) Не должно быть утечки газа на соединении между трубопроводом и интеллектуальным регулятором потока, а давление газа на входе в интеллектуальный регулятор потока не должно превышать 0,4 МПа;
(5)После установки нанесите мыльную воду на входное (выходное) отверстие для воздуха, чтобы проверить, нет ли утечки воздуха.Его можно использовать в обычном режиме только после подтверждения отсутствия утечки воздуха.Категорически запрещается использовать открытый огонь для обнаружения утечек во избежание несчастных случаев.
Интеллектуальный регулятор расхода LKZ
Премьера продукта
Интеллектуальный контроллер расхода серии LKZ — это новейший инструмент интеллектуального управления расходом от Mechatronics.Продукт использует самый передовой однокристальный компьютер и схему периферийного интерфейса в мире в настоящее время.Карта IC с превосходной производительностью шифрования выбрана в качестве средства передачи данных между человеком и машиной.Он имеет функции автоматического вывода, точности, надежности, идеальной функции и усовершенствованной структуры.Вся машина спроектирована с микропотреблением энергии, питанием от литиевой батареи и ЖК-дисплеем.Он может записывать совокупное потребление газа пользователем, биллинговые и другие данные, а продукт имеет множество функций защиты для обеспечения безопасности и надежности работы системы.Его можно сочетать с различными расходомерами (ультразвуковой расходомер, расходомер Рутса, турборасходомер) для создания полного набора системы продажи газа с предоплатой, которая может быть подключена к системе удаленного мониторинга, разработанной и произведенной нашей компанией для достижения реальных результатов. -временной контроль рабочего состояния и ситуации с газом интеллектуального регулятора расхода.
Интеллектуальный контроллер расхода обычно вычитает потребление газа путем сбора выходных импульсов расхода, а интеллектуальный контроллер расхода имеет интерфейс RS485 для считывания данных расходомера с функцией вычитания.Этот вид метода дедукции выборки трудно интерпретировать, он обладает высокой надежностью и позволяет избежать ошибочного подсчета, вызванного другими аналогичными выборками потока продукта, которым легко мешают только импульсы.
Кроме того, интеллектуальный контроллер потока имеет внешний интерфейс RS485.Удаленный терминал может выполнять функции удаленной зарядки, корректировки цен, мониторинга данных и управления включением-выключением интеллектуального контроллера потока через интерфейс связи RS485.
Основные функции
Наименование товара | Интеллектуальный контроллер потока | ||
Тип продукта | IC-карта | IC-карта+IoT | Внешний RTU |
Способ выставления счетов | Обычный биллинг | Обычный биллинг+Удаленная корректировка цены | Обычный биллинг+Удаленная корректировка цены |
Метод оплаты | пополнение IC-карты | Пополнение карты IC, Пополнение без карты, Дистанционное пополнение, Мобильное пополнение | Пополнение карты IC, Пополнение без карты, Дистанционное пополнение, Мобильное пополнение |
Источник питания | Внешний источник питания, литиевая батарея | Внешний источник питания, литиевая батарея | Внешний источник питания, литиевая батарея |
Коммуникация | Интерфейс RS485 | Интерфейс RS485, GPRS | Интерфейс RS485, GPRS |
Передача информации | Чтение карты IC | Загрузка в реальном времени, Стыковка платформы SCADA | Загрузка в реальном времени, Стыковка платформы SCADA |
Предупреждение о событии | ЖК дисплей | ЖК-дисплей, удаленное предупреждение в реальном времени | ЖК-дисплей, удаленное предупреждение в реальном времени |
Дистанционное управление | Дистанционное управление | Дистанционное управление | |
Мониторинг состояния | Мониторинг в реальном времени, удаленное предупреждение в реальном времени | Мониторинг в реальном времени, удаленное предупреждение в реальном времени | |
ЖК дисплей | Совокупный общий объем, мгновенный расход, температура, давление, объем остаточного газа, состояние батареи, состояние клапана и т. д. | ||
Защита | Встроенное групповое подавление импульсов, молниезащита и другая защита цепи.Все экспортные интерфейсы электрически изолированы от внутренней основной системы управления с надежной защитой от помех. | ||
Характеристики продукта
Модель | Диаметр (мм) | Рабочее давление (МПа) | Потеря давления клапана (Па) | Qmax(м³/ч) |
ЛКЗ-25Е(Т) | Ду25 | ≤0,4 | 120~150 | 17.7 |
ЛКЗ-40Е(Т) | DN40 | ≤0,4 | 120~150 | 45.2 |
ЛКЗ-50Е(Т) | DN50 | ≤0,4 | 150~200 | 70.7 |
ЛКЗ-80Е(Т) | DN80 | ≤0,4 | 150~200 | 181.0 |
ЛКЗ-100Е(Т) | DN100 | ≤0,4 | 180~220 | 282.7 |
ЛКЗ-150Е(Т) | DN150 | ≤0,4 | 200~280 | 636.2 |
ЛКЗ-200Е(Т) | DN200 | ≤0,4 | 250~320 | 1131.0 |
Нет. | Тип | Параметры | Примечания |
1 | Напряжение | DC7.2V | Аккумулятор ER34615 |
2 | Окружающая среда | Температура:-20℃~+50℃;Относительная влажность:≤95% | |
3 | Рабочее давление | ≤ 0,4 МПа | |
4 | Полная потеря давления | ≤ 0,9 кПа | |
5 | Середина | Сжиженный нефтяной газ, природный газ, биогаз | |
6 | степень защиты IP | IP65 |

Модель | Диаметр (мм) | Размер (мм) | ||||||||
B | ¢D | E | F | ¢G | H | J | K | n-¢W | ||
ЛКЗ-25Е(Т) | Ду25 | 225 | 85 | 220 | 222 | 115 | 107 | 69 | 20 | 4-¢14 |
ЛКЗ-40Е(Т) | DN40 | 333 | 109 | 223.5 | 225.5 | 154 | 144 | 61 | 22 | 4-¢18 |
ЛКЗ-50Е(Т) | DN50 | 345 | 125 | 317 | 319 | 165 | 158.5 | 65 | 23 | 4-¢18 |
ЛКЗ-80Е(Т) | DN80 | 360 | 160 | 317 | 319 | 200 | 192 | 64 | 23 | 8-¢18 |
ЛКЗ-100Е(Т) | DN100 | 405 | 180 | 352 | 354 | 220 | 210 | 100 | 24 | 8-¢18 |
ЛКЗ-150Е(Т) | DN150 | 475 | 240 | 405 | 407 | 285 | 277.5 | 137 | 27 | 8-¢22 |
ЛКЗ-200Е(Т) | DN200 | 545 | 295 | 416 | 418 | 341 | 335 | 177 | 30 | 12-¢22 |
(1) Интеллектуальный регулятор потока должен быть установлен в хорошо проветриваемом месте, вдали от источника огня, в защищенном от дождя и влаги месте, а также во избежание попадания прямых солнечных лучей в течение длительного времени.Безопасная высота должна соответствовать соответствующим местным правилам;
(2) Интеллектуальный контроллер потока должен удалять всякую всячину из трубопровода перед подключением, а в трубопроводе не должно быть утечек;
(3) Интеллектуальный регулятор потока может быть установлен горизонтально или вертикально, а вход и выход могут быть правильно соединены в соответствии с направлением, отмеченным стрелкой;
(4) Не должно быть утечки газа на соединении между трубопроводом и интеллектуальным регулятором потока, а давление газа на входе в интеллектуальный регулятор потока не должно превышать 0,4 МПа;
(5)После установки нанесите мыльную воду на входное (выходное) отверстие для воздуха, чтобы проверить, нет ли утечки воздуха.Его можно использовать в обычном режиме только после подтверждения отсутствия утечки воздуха.Категорически запрещается использовать открытый огонь для обнаружения утечек во избежание несчастных случаев.
По мере повышения уровня жизни и роста осведомленности об охране окружающей среды люди перешли от использования традиционных видов топлива, таких как дрова и уголь, которые расточительны и загрязняют окружающую среду, к использованию экологически чистой энергии, такой как природный газ и газ, или даже электричество.Здесь работает мембранный газовый счетчик.
Диафрагменный газовый счетчик представляет собой объемный расходомер природного газа, используемый коммунальными предприятиями для выставления счетов в жилых и небольших коммерческих помещениях.Его преимуществами являются проверенная технология, надежные измерения и постоянное качество.Далее рассмотрим газовый счетчик Диафрагменный.
Предоплаченный мембранный газовый счетчик с картой IC представляет собой мембранный газовый счетчик с функцией предоплаты.Он основан на мембранном газовом счетчике с передающим устройством, использующим карту IC в качестве носителя, оснащенным электронным контроллером и электрическим клапаном.Этот предоплаченный диафрагменный газовый счетчик с картой IC поддерживает различные
Предоплаченный промышленный газовый счетчик с картой IC представляет собой коммерческий и промышленный газовый счетчик с диафрагмой, который включает в себя лучшие отечественные и зарубежные продукты.Он был разработан с новаторским духом и опытом счетчиков Kinhil более 20 лет.Эти газовые счетчики подходят для
Интеллектуальный мембранный газовый счетчик IoT представляет собой мембранный газовый счетчик, основанный на технологии Интернет+.Он обеспечивает газовую компанию своевременной и точной информацией о счетчике.В то же время это облегчает удаленный контроль и дистанционное управление газовым счетчиком со стороны газовой компании.Базовый метр
Здесь впервые заимствовано от человека в отрасли: если технология NB-IoT позволяет газовому счетчику вставлять крылья интеллектуальной связи, то технология ультразвукового измерения должна вводить основную группу мышц для газового счетчика, в технологии измерения была существенно улучшена, т.к.
В настоящее время индустрия ультразвуковых расходомеров газа постоянно развивается в разных странах, и компании, занимающиеся ультразвуковыми расходомерами газа, постепенно вступают на путь выживания и развития за счет точного управления, улучшения качества обслуживания и взимания платы за управление безопасностью и измерения.
Ультразвуковой расходомер газа можно использовать различными способами: ультразвуковым, датчиком давления, температуры и другими многозондовыми технологиями обнаружения и контроля для шести категорий негабаритных диапазонов.Специальный тип камеры с запатентованным изобретением обеспечивает самокалибровку и кратчайший срок службы.
Платформа управления данными — это система, которая совершенствует традиционную модель оплаты энергии за счет использования режима покупки, использования и автоматического отключения электроэнергии для интеграции излишков, зарядки и контроля, что делает оплату энергии проще и эффективнее.Дата ком
Платформа управления данными используется в области управления энергопотреблением в коммерческих комплексах, жилых районах, офисных зданиях, магазинах, школах, фабриках и шахтах.Это также сокращает персонал и расходы в течение периода, значительно сокращая расходы руководства на выставление счетов и, таким образом, продвигая электронную
По мере того, как уровень жизни продолжает улучшаться, люди становятся все более и более экологически чистыми, а традиционные источники энергии, которые сильно загрязняют окружающую среду, постепенно отказываются от них.Со строительством и популяризацией магистральных газопроводов возникли счетчики газа, от механических
Ультразвуковой газовый счетчик для пресечения газовых аварий в зародышеВ последнее время взрывы газа не покидают умы людей во всем мире, и новости о газовой безопасности распространяются повсюду.В связи с быстрым ростом числа потребителей газа несчастные случаи, связанные с безопасностью газа в городах, стали третьим по величине убийцей в мире.
Ультразвуковой счетчик газа является основой для расчетов по торговле электроэнергией.В последние годы предпочтение отдается электронным методам учета, таким как ультразвуковой и тепловой, поскольку они более точны и надежны, стабильны в работе и не требуют технического обслуживания и внесли важные изменения в газовый счетчик.
По мере того, как уровень жизни продолжает улучшаться, люди становятся все более и более экологически сознательными, и традиционные источники энергии, которые сильно загрязняют окружающую среду, постепенно отказываются от них.В 1960-х и 1970-х годах государство также ввело политику газопровода и соответствующие меры.С констр.
Ультразвуковой счетчик газа использует звуковые волны для определения скорости, с которой жидкость течет по трубе.В непроточных условиях частота ультразвуковой волны, прошедшей в трубу, равна частоте, которую она отражает от жидкости.В условиях течения частота исх.
Детектор утечки газа используется для обнаружения утечек, проверки газонепроницаемости и профилактического обслуживания.Обнаружение ультразвуковых волн обычно относится к полосе частот выше 20 кГц, в то время как верхний предел человеческого уха может воспринимать 16,5 кГц, и использование этой характеристики ультразвуковых
Как использовать Детектор утечки газаСигнализатор утечки газа — это прибор, используемый для определения концентрации утечки газа, который может определить концентрацию газа в окружающей среде.Например, в промышленном производстве есть токсичные и опасные газы или горючие газы, поэтому вы можете быстро
Стремительное развитие городского газового хозяйства выдвинуло учет газа на довольно важное место.Счетчики газа используются не только для измерения пропускания в газопроводах и учета газа на промышленных и горнодобывающих предприятиях и в учреждениях социального обеспечения, но и популяризируются в миллионах часов.
Согласно статистике, онлайн-использование диафрагменного гражданского газа превысило 50 миллионов единиц.С разработкой и применением природного газа в Китае первая и вторая линии проекта «Западно-восточная транспортировка газа» и проекта «Газ Шэньси в Пекин», которые были завершены или
Мембранный счетчик газа для гражданского населения — это прибор для точного измерения расхода газа по трубопроводу, который широко используется в нефтяной, химической промышленности, электроэнергетике, промышленных котлах и других областях измерения газа, применимых к природному газу, городскому газу, пропану, бутану, этилену. , воздух, азот и другие газы.Т